Оборудование для систем водоснабжения и водоотведения

Поверхностный насос-автомат с гидроаккумулятором «ВИХРЕВИК» 40/40 Ч-14

0
0
Обзор

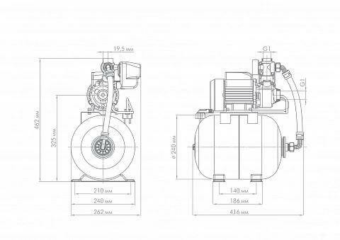
Электрический вихревой поверхностный насос-автомат «ВИХРЕВИК» 40/40 Ч-14 предназначен для подачи чистой воды из скважин, колодцев, естественных водоемов и водосборных резервуаров. Также может использоваться для увеличения напора (давления воды) в основных магистралях (централизованных водопроводах). В комплектацию насоса-автомата входят: • поверхностный насос «ВИХРЕВИК» 40/40 Ч, • 14-ти литровый гидроаккумулятор горизонтального типа, • реле давления для автоматизации работы электронасоса, • шланг, • манометр, • 5-ти выводной штуцер.

Документация к продукту
Автор продукта
Джилекс
Джилекс
На портале с
Телефон
Электронный адрес
Поверхностный насос-автомат с гидроаккумулятором «ВИХРЕВИК» 40/40 Ч-14
Джилекс
Телефон
Электронный адрес