Оборудование для систем водоснабжения и водоотведения

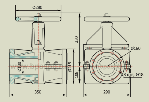
Задвижка шланговая полнопроходная, т/ф 33a17рМ, П98036М, ТУ 2607-381-86, DN 100

0
0
Обзор

Давление номинальное, PN - 6 кгс/см² (0,6 МПа). Материал: корпус - алюминий; патрубок - резиновые смеси на основе различных каучуков. Присоединительные размеры магистральных фланцев - по ГОСТ 33259-2015 на PN 10 кгс/см2 (1,0 МПа) ряд 1. Герметичность затвора - по классу "А" ГОСТ 9544-2015. Коэффициент сопротивления - не более 0,1. Конструкция: полнопроходная, самоочищающаяся, невыдвижной шпин...

Показать больше
Документация к продукту
Автор продукта
Балтпромарматура
Балтпромарматура
На портале с
Телефон
Электронный адрес
Задвижка шланговая полнопроходная, т/ф 33a17рМ, П98036М, ТУ 2607-381-86, DN 100
Балтпромарматура
Телефон
Электронный адрес