Новый альбом 2Д узлов от компании ПЕНОПЛЭКС для системы ЭКСТРА WALK

Компания ПЕНОПЛЭКС разработала новый альбом 2D узлов в Autodesk Revit 2022 для традиционной эксплуатируемой кровли по железобетонному основанию с покрытием плиткой и гидроизоляцией из ПВХ мембраны - ЭКСТРА WALK
В конструктивном решении кровли применяется гидроизоляционный слой из ПВХ мембраны PLASTFOIL GEO, теплоизоляционный слой из экструзионного пенополистирола ПЕНОПЛЭКС и уклонообразующий слой из плит ПЕНОПЛЭКС УКЛОН. Между ПВХ мембраной и экструзионным пенополистиролом необходимо предусмотреть разделительный слой — стеклохолст PLASTFOIL CANVAS или геотекстиль TERRAISOL. Покрытие рассчитано на пешеходную нагрузку и предполагает устройство тротуарной плитки по песчаной подготовке и дренажного слоя из профилированной мембраны PLASTGUARD GEO. В качестве пароизоляции применяются плёнки (полиэтилен), монтаж которых допустим при отрицательных температурах.
Система подходит для жилых, общественных, промышленных и агропромышленных зданий и сооружений. Применение прочного теплоизоляционного слоя ПЕНОПЛЭКС позволяет эксплуатировать кровлю с максимальной интенсивностью воздействия эксплуатационной нагрузки, в отличие от ряда решений с минераловатным утеплителем. Подходит для объектов с размещенным на кровле оборудованием (кондиционеры, котельные)

Узлы, разработанные в альбоме, отражают устройство кровельной системы и различные варианты примыканий. Альбом создан на основе стандартного шаблона ADSK и содержит 25 листов. Файл имеет расширение *.rvt.
Узлы разработаны с использование стандартного функционала программы, оформлены на чертежных видах и предназначены для импорта в проект. При разработке использованы следующие категории семейств: «Элементы узлов», «Цветовые области» и «Аннотационные обозначения». Некоторые элементы узлов, использованные при разработке альбома представлены ниже:

Эти и другие элементы узлов можно использовать как самостоятельные инструменты для оформления и детализации чертежей.
Альбомы узлов содержит в себе множество вариантов примыканий. Содержание альбома представлено на рисунке ниже:

Каждый узел оформлен на чертежном виде и размещен на отдельном листе, навигация осуществляется через диспетчера проекта:

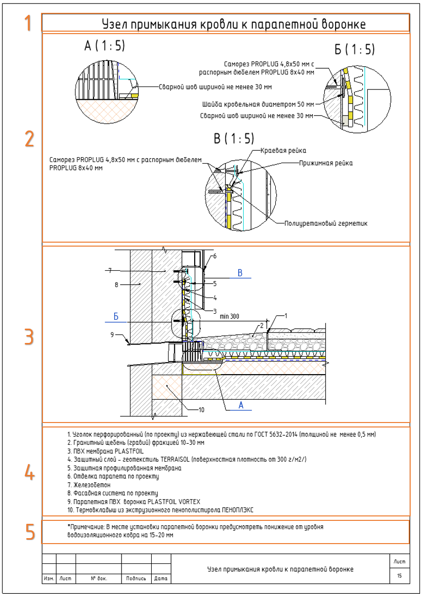
Рассмотрим один из листов. Все листы имеют рамку, соответствующую формату, и следующие блоки:
1. Название Листа примыкания
2. Укрупненные виды, подробнее описывающие сопряжение материалов
3. Основной вид примыкания
4. Список наименований элементов по позициям
5. Дополнительные рекомендации

Ниже представлены некоторые листы из альбома:
Добавить необходимый узел или несколько узлов в свой проект можно следующими способами:
1. Выбрать необходимый лист и с помощью сочетания клавиш Ctrl+C скопировать его, затем перейти в свой проект и перенести лист, используя клавиши Ctrl+V. Выбранный узел отобразится в диспетчере проекта. Такой вариант удобно использовать, если необходим только один узел.
2. При копировании нескольких листов в свой проект удобнее использовать команду «Вставить виды из файла». Для этого в своем проекте необходимо перейти на вкладку «Вставить» - «Вставить виды из файла»

Затем необходимо выбрать файл альбома узлов и выделить необходимые листы:

После этого листы узлов копируются в диспетчер вашего проекта. Далее вы можете использовать готовые оформленные листы для детализации примыканий или наши аннотативные элементы для оформления узлов на основе реальных 3D элементов из вашей модели. В BIM библиотеке ПЕНОПЛЭКС доступны также 2D альбомы для конструктивных решений стен, полов и фундаментов.
Совместно с альбомами 2D узлов рекомендуем использовать Альбом аннотативных элементов
BIM-библиотеки систем и материалов ПЕНОПЛЭКС доступны:
— На сайте компании «ПЕНОПЛЭКС» в разделе BIM проектирование.
— На странице компании «ПЕНОПЛЭКС» на BIMLIB.
Компания ПЕНОПЛЭКС стремится предоставлять своим партнерам удобные и современные сервисы для проектирования. Внедрение BIM-проектирования позволяет сократить расходы и временные затраты на подготовку проектов, увеличить точность расчетов материалов и повысить тем самым эффективность проектирования и культуру строительства в целом. Мы нацелены на дальнейшее развитие и расширение BIM-библиотек материалов и систем ПЕНОПЛЭКС.
Смотрите также:
Новый альбом 2Д узлов от компании ПЕНОПЛЭКС для системы ФУНДАМЕНТ КОНТУР
Альбомы 2D узлов ПЕНОПЛЭКС в Autodesk Revit
Технический обзор альбомов 2D узлов от компании ПЕНОПЛЭКС для Autodesk Revit YOUTUBE